- 联系我们
北京航宇华科测控技术有限公司
联系人:李经理
销售热线:13910298315
销售电话:010-60219296
传真:010-52389378转808
HK-813G轮辐荷重传感器
发布时间:2015-6-3 点击数量:4114

HK-813G轮辐荷重传感器
特点与用途
该传感器采用轮辐式弹性体结构,利用剪切式应力原理,具有低外形、抗偏载、精度高、强度好等特点。适用于多种载荷力的测试。广泛应用于各种电子秤、水泥配料仓、干粉搅拌机及工业自动化测量控制系统。
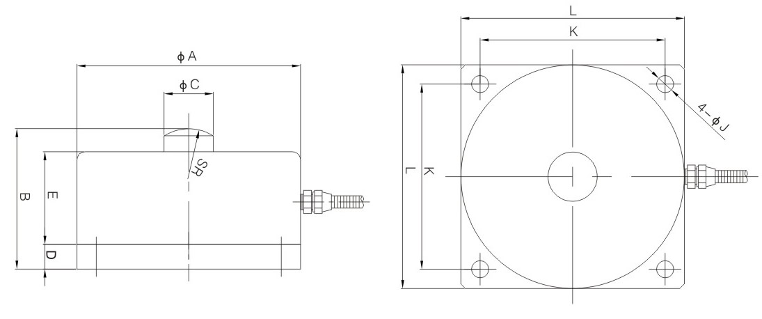
外形尺寸

|
量 程
|
ФA
|
B
|
ФC
|
D
|
E
|
K
|
L
|
SR
|
4-ФJ
|
|
0.2~0.7t
|
72
|
41
|
16
|
8
|
25
|
62
|
72
|
8
|
4.6
|
|
1~8t
|
88
|
53
|
20
|
10
|
34
|
75
|
88
|
12
|
5.6
|
|
10~15t
|
114
|
70
|
25
|
13
|
46
|
95
|
114
|
25
|
6.5
|
|
20~30t
|
145
|
91
|
32
|
16
|
60
|
120
|
145
|
30
|
11
|
技术指标
|
参 数
|
单 位
|
技术参数
|
参 数
|
单 位
|
技术参数
|
|
灵敏度
|
mV/V
|
2.0±0.05
|
灵敏度温度系数
|
≤%F·S/10℃
|
±0.03
|
|
非线性
|
≤%F·S
|
±0.03
|
工作温度范围
|
℃
|
-20℃~+80℃
|
|
滞 后
|
≤%F·S
|
±0.03
|
输入电阻
|
Ω
|
750±20Ω
|
|
重复性
|
≤%F·S
|
±0.03
|
输出电阻
|
Ω
|
700±5Ω
|
|
蠕 变
|
≤%F·S/30min
|
±0.03
|
安全过载
|
≤%F·S
|
150%F·S
|
|
零点输出
|
≤%F·S
|
±1
|
绝缘电阻
|
MΩ
|
≥5000MΩ(50VDC)
|
|
零点温度系数
|
≤%F·S/10℃
|
±0.03
|
推荐激励电压
|
V
|
10V~15V
|
|
可根据客户需求选用24VDC供电,输出0-5V,0-10V,4-20mA信号,红线24V+,绿线4-20mA+,黑线公共-
|
|||||
上一篇: HK-811-2柱式拉压力传感器
下一篇: HK-812拉压力传感器
